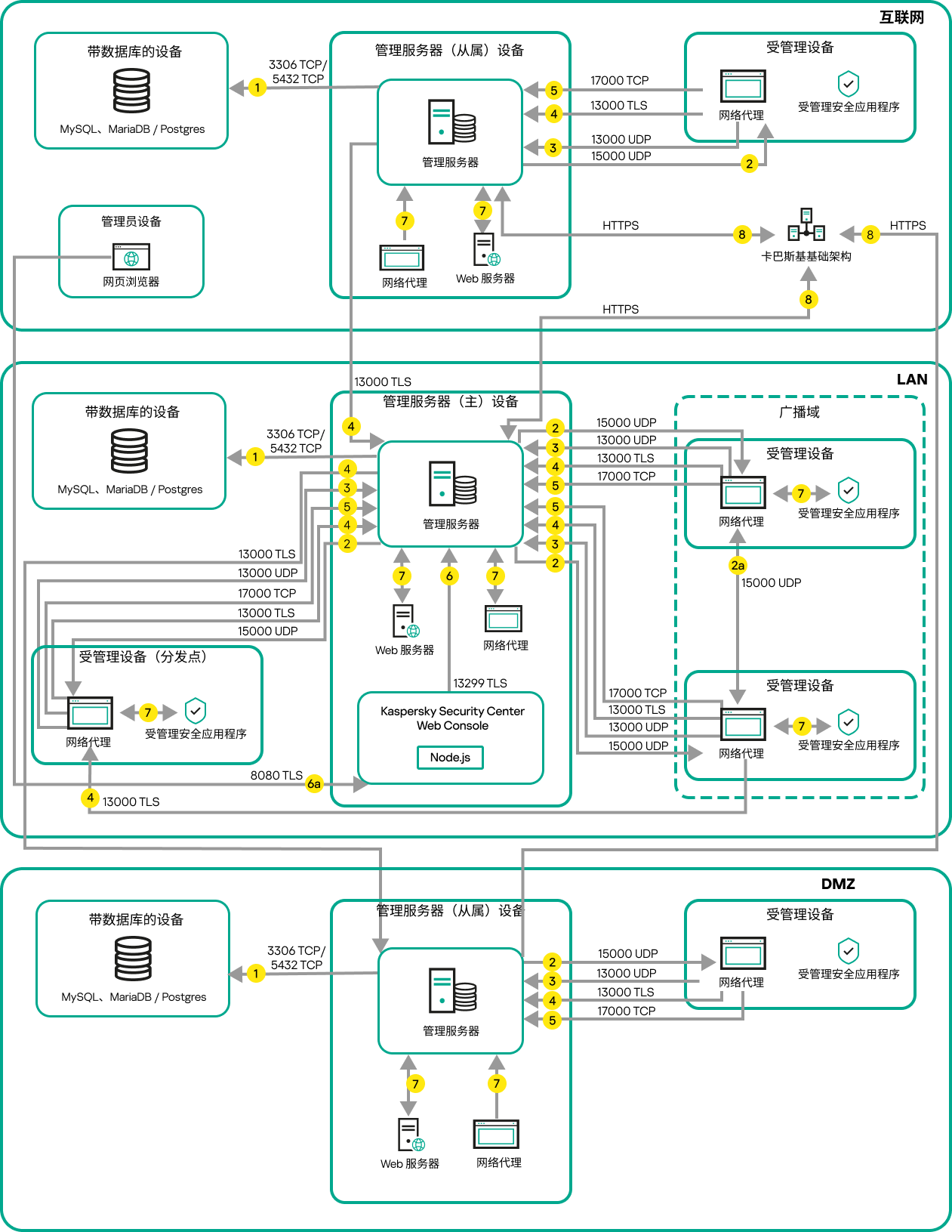
局域网中的主管理服务器和两个从属管理服务器

下图显示管理服务器层级:主管理服务器位于局域网 (LAN)。一个从属管理服务器位于 DMZ;另一个从属管理服务器位于互联网。

主服务器和设备位于 LAN 上,从属服务器位于隔离区中,另一个从属服务器位于互联网上。

管理服务器层级:主管理服务器和两个从属管理服务器

箭头表示流量的开始:每个箭头从发起连接的设备指向“回答”请求的设备。端口号和用于数据传输的协议名称被提供。每个箭头都有数字标签,对应的数据流量详情是:

  1. 管理服务器发送数据到数据库。如果您在不同设备上安装管理服务器和数据库,您必须使数据库所在设备的必要端口可用(例如,端口 3306 用于 MySQL Server 和 MariaDB Server,端口 5432 用于 PostgreSQL Server 或者 Postgres Pro Server)。请参阅 DBMS 文档以获取相关信息。
  2. 来自管理服务器的通信请求被传输到所有非移动受管理设备,通过 UDP 端口 15000

    网络代理在一个广播域内相互发送请求。然后将数据发送到管理服务器,并用于定义广播域的限制和分发点的自动分配(如果启用了此选项)。

    如果管理服务器无法直接访问受管理设备,则不会直接发送从管理服务器到这些设备的通信请求。

  3. 受管理设备关闭的信息通过 UDP 端口 13000 被从网络代理传输到管理服务器。
  4. 管理服务器通过 TLS 端口 13000 从网络代理从属管理服务器接收连接。

    如果您使用 Kaspersky Security Center 的早期版本,您网络中的管理服务器可以通过非 TLS 端口 14000 从网络代理接收连接。Kaspersky Security Center Linux 也支持通过端口 14000 连接网络代理,但推荐使用 TLS 端口 13000。

  5. 受管理设备(除了移动设备)通过 TCP 端口 17000 请求激活。如果设备自己拥有互联网连接,则不必要;此种情况下,设备直接通过互联网发送数据到 Kaspersky 服务器。
  6. Kaspersky Security Center Web Console 服务器通过 TLS 端口 13299 发送数据到管理服务器,该管理服务器可能被安装到相同或不同设备。

    6a.来自 Web 浏览器(安装在管理员的其他设备)的数据通过 TLS 端口 8080 传输到 Kaspersky Security Center Web Console 服务器。Kaspersky Security Center Web Console 可以安装到管理服务器或其他设备。

  7. 单一设备上的应用程序交换本地流量(在管理服务器上或受管理设备上)。不需要打开任何外部端口。
  8. 从管理服务器到 Kaspersky 服务器的数据(例如 KSN 数据或授权许可信息)和从 Kaspersky 服务器到管理服务器的数据(例如应用程序更新和反病毒数据库更新)使用 HTTPS 协议传输。

    如果您不想让您的管理服务器拥有互联网连接,您必须手动管理该数据。

另请参阅:

管理服务器层级

Kaspersky Security Center Linux 使用的端口

页顶