LAN 내에 기본 중앙 관리 서버 및 두 개의 보조 중앙 관리 서버

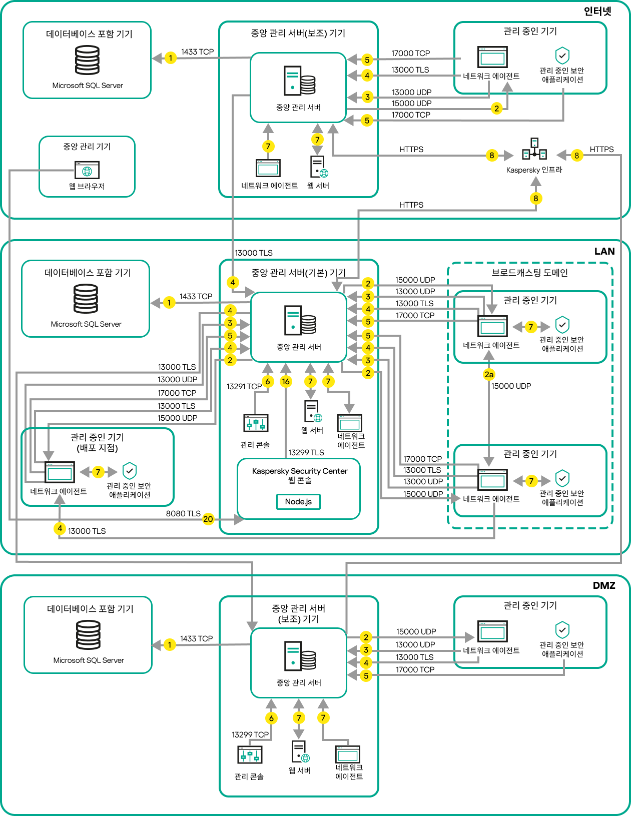
아래 그림은 중앙 관리 서버의 계층을 보여 줍니다. 기본 중앙 관리 서버는 LAN(로컬 영역 네트워크)에 있습니다. 보조 중앙 관리 서버가 DMZ에 있고 다른 보조 중앙 관리 서버가 인터넷 망에 있습니다.

기본 서버와 관리 중인 기기는 LAN에 있고, 보조 서버는 DMZ에 있으며, 다른 서버와 기기는 인터넷에 연결되어 있습니다.

중앙 관리 서버 계층 구조: 기본 중앙 관리 서버 및 두 개의 보조 중앙 관리 서버

화살표는 트래픽 시작을 나타냅니다. 각 화살표는 연결을 시작하는 기기에서 호출을 "응답"하는 기기를 가리킵니다. 데이터 전송에 사용되는 포트 번호와 프로토콜 이름이 제공됩니다. 각 화살표에는 숫자 레이블이 있으며 해당 데이터 트래픽에 대한 자세한 내용은 다음과 같습니다:

  1. 중앙 관리 서버는 데이터를 데이터베이스에 보냅니다. 중앙 관리 서버와 데이터베이스를 서로 다른 기기에 설치한다면 데이터베이스가 설치된 기기에서 관련 포트를 사용할 수 있도록 열어야 합니다(MySQL Server에서는 3306 포트, Microsoft SQL Server에서는 1433 포트 등). 관련 정보는 DBMS 설명서를 참조하십시오.
  2. 중앙 관리 서버로부터의 통신 요청은 UDP 15000 포트를 통해 모바일 이외의 모든 관리 중인 기기로 전송됩니다.

    네트워크 에이전트들이 하나의 브로드캐스팅 도메인 내에서 서로 요청을 전송합니다. 그러면 데이터가 중앙 관리 서버로 전송되어 브로드캐스팅 도메인의 제한을 정의하고, 배포 지점을 자동 할당(이 옵션이 활성화되어 있는 경우)하는 데 사용됩니다.

    중앙 관리 서버가 관리 중인 기기에 직접 접근할 수 없다면, 중앙 관리 서버에서 이러한 기기로의 통신 요청이 직접 전송되지 않습니다.

  3. 관리 중인 기기의 종료에 대한 정보는 UDP 13000 포트를 통해 네트워크 에이전트에서 중앙 관리 서버로 전송됩니다.
  4. 중앙 관리 서버는 TLS 13000 포트를 통해 네트워크 에이전트보조 중앙 관리 서버로부터 연결을 수신합니다.

    이전 버전의 Kaspersky Security Center를 사용했다면, 네트워크에 설치된 중앙 관리 서버는 TLS가 아닌 14000 포트를 통해 네트워크 에이전트 연결을 수신할 수 있습니다. 또한, Kaspersky Security Center는 13000 TLS 포트의 사용을 권장하지만 14000 포트를 통한 네트워크 에이전트 연결도 지원하고 있습니다.

    이전 버전의 Kaspersky Security Center에서는 배포 지점을 "업데이트 에이전트"라고 불렀습니다.

  5. 관리 중인 기기(모바일 기기 제외)는 TCP 17000 포트를 통해 활성화를 요청합니다. 기기가 자체적으로 인터넷에 접근할 수 있을 시 이 작업이 필요하지 않습니다. 이때는 기기가 데이터를 인터넷의 Kaspersky 서버로 직접 전송합니다.
  6. MMC 기반 관리 콘솔은 13291 포트를 통해 중앙 관리 서버로 데이터를 전송합니다. (관리 콘솔은 동일한 기기 또는 다른 기기에 설치될 수 있습니다.)
  7. 단일 기기의 애플리케이션은 로컬 트래픽을 교환합니다(중앙 관리 서버 또는 관리 중인 기기). 외부 포트를 열 필요가 없습니다.
  8. 중앙 관리 서버에서 KSN 데이터, 라이센스에 대한 정보 등 Kaspersky 서버로의 데이터와 애플리케이션 업데이트 및 안티 바이러스 데이터베이스 업데이트와 같은 Kaspersky 서버에서 중앙 관리 서버로의 데이터는 HTTPS 프로토콜을 통해 Kaspersky 서버로 전송됩니다.

    중앙 관리 서버가 인터넷에 접근하는 것을 원치 않는다면 이 데이터를 수동으로 관리해야 합니다.

  9. Kaspersky Security Center 웹 콘솔 서버는 TLS 13299 포트를 통해 같은 기기나 다른 기기에 설치할 수 있는 중앙 관리 서버로 데이터를 보냅니다.

    9a. 관리자의 별도 기기에 설치된 브라우저 데이터는 TLS 8080 포트를 통해 Kaspersky Security Center 웹 콘솔 서버로 전송됩니다. Kaspersky Security Center 웹 콘솔 서버는 중앙 관리 서버나 다른 장치에 설치할 수 있습니다.

참고 항목:

중앙 관리 서버 계층 구조

Kaspersky Security Center의 사용 포트

맨 위로