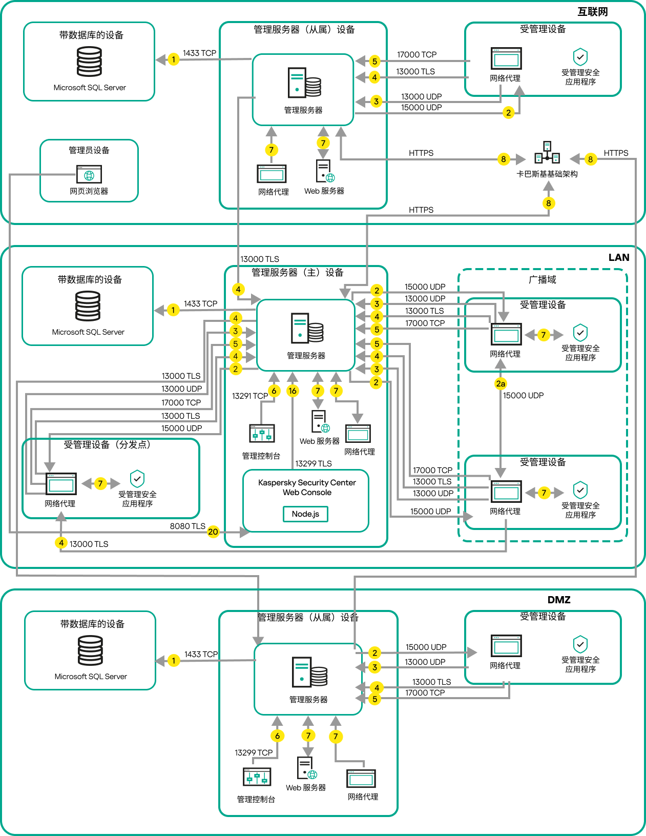
局域网中的主管理服务器和两个从属管理服务器
下图显示管理服务器层级:主管理服务器位于局域网 (LAN)。一个从属管理服务器位于 DMZ;另一个从属管理服务器位于互联网。

管理服务器层级:主管理服务器和两个从属管理服务器
箭头表示流量的开始:每个箭头从发起连接的设备指向“回答”请求的设备。端口号和用于数据传输的协议名称被提供。每个箭头都有数字标签,对应的数据流量详情是:
- 管理服务器发送数据到数据库。如果您在不同设备上安装管理服务器和数据库,您必须使数据库所在设备的必要端口可用(例如,端口 3306 用于 MySQL Server,端口 1433 用于 Microsoft SQL Server)。请参阅 DBMS 文档以获取相关信息。
- 来自管理服务器的通信请求被传输到所有非移动受管理设备,通过 UDP 端口 15000。
网络代理在一个广播域内相互发送请求。然后将数据发送到管理服务器,并用于定义广播域的限制和分发点的自动分配(如果启用了此选项)。
如果管理服务器无法直接访问受管理设备,则不会直接发送从管理服务器到这些设备的通信请求。
- 受管理设备关闭的信息通过 UDP 端口 13000 被从网络代理传输到管理服务器。
- 管理服务器通过 TLS 端口 13000 从网络代理和从属管理服务器接收连接。
如果您使用 Kaspersky Security Center 的早期版本,您网络中的管理服务器可以通过非 TLS 端口 14000 从网络代理接收连接。Kaspersky Security Center 也支持通过端口 14000 连接网络代理,但推荐使用 TLS 端口 13000。
分发点在早期 Kaspersky Security Center 版本中被叫做更新代理。
- 受管理设备(除了移动设备)通过 TCP 端口 17000 请求激活。如果设备自己拥有互联网连接,则不必要;此种情况下,设备直接通过互联网发送数据到 Kaspersky 服务器。
- 来自基于 MMC 的管理控制台的数据通过端口 13291 传输到管理服务器(管理控制台可以安装在同一设备上,也可以安装在不同的设备上。)
- 单一设备上的应用程序交换本地流量(在管理服务器上或受管理设备上)。不需要打开任何外部端口。
- 从管理服务器到 Kaspersky 服务器的数据(例如 KSN 数据或授权许可信息)和从 Kaspersky 服务器到管理服务器的数据(例如应用程序更新和反病毒数据库更新)使用 HTTPS 协议传输。
如果您不想让您的管理服务器拥有互联网连接,您必须手动管理该数据。
- Kaspersky Security Center Web Console 服务器通过 TLS 端口 13299 发送数据到管理服务器,该管理服务器可能被安装到相同或不同设备。
9a.来自 Web 浏览器(安装在管理员的其他设备)的数据通过 TLS 端口 8080 传输到 Kaspersky Security Center Web Console 服务器。Kaspersky Security Center Web Console 可以安装到管理服务器或其他设备。
页面顶部